Dimensions
- Height 1600 mm
- Widht 1400 mm
- Weight: 80 kg
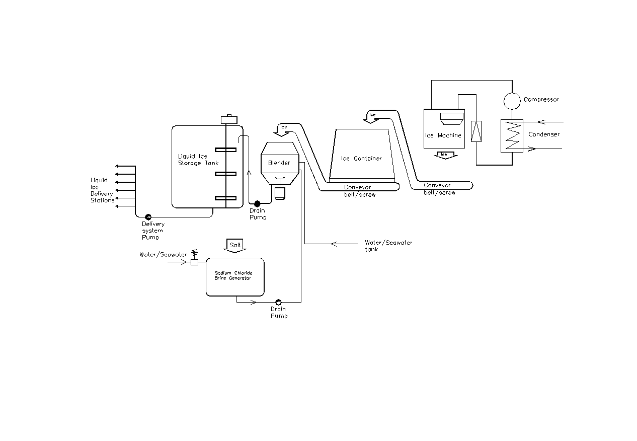
The appliance generates saturated sodium chloride brine at high rate. Automatically controlled water level. Fitted with drain pump, control valve and level sensor

A fully saturated brine solution is mixed in a tank and dosed to the blender by a pump. The control unit of the blender regulates the size of the brine dose
The Formax BG-1300 Brine Generator is designed to the highest standards of the European Community, EN1672-2:1997 for food processing machinery and can be used for all food processing applications. The equipment is made in Stainless steel and other food grade materials. High concern is taken in hygiene and easy access to all parts of the machine, which makes it easy to clean and maintain. All electronic components are sealed in water tight chasing and the machine can be cleaned with water and all food grade reagents.